ПНЕВМОДВИГАТЕЛЬ ИЗ НЕРЖАВЕЮЩЕЙ СТАЛИ HX4AM-NRV-251SS

Пневмодвигатель пластинчатого типа и предназначен для преобразования энергии сжатого воздуха во вращательное движение, получаемое на валу пневмомотора.

Характеристики
  • Производитель:
  • Макс. вых. мощность, кВт:
  • Макс. вых. крут. момент, Нм:
  • Макс. скор. вращения, об/мин:
  • Макс. расход воздуха:
  • Тип двигателя:

Заказать

Опис

Пневмодвигатель (пневмомотор) HX4AM-NRV-251SS из нержавеющей стали фирмы Hongxin – это пневмодвигатель пластинчатого типа и предназначен для преобразования энергии сжатого воздуха во вращательное движение, получаемое на валу пневмомотора.

Пневмодвигатели Hongxin соответствуют высоким требованиям современного рынка по надежности и обладают исключительно прочной конструкцией.

Область применения – Он может работать во влажных помещениях, при высоких температурах, ленточные накопители, приводы насосов, для упаковки пищевых продуктов, фармацевтической упаковки, подъемники и лебедки, шланговые, измельчители стекловолокна,натяжные устройства, поворотные столы.

Особенности – регулируемая скорость вращения, изменение направления вращения, отсутствие искрения,отсутствие нагрева, компактный, работают в любом положении.

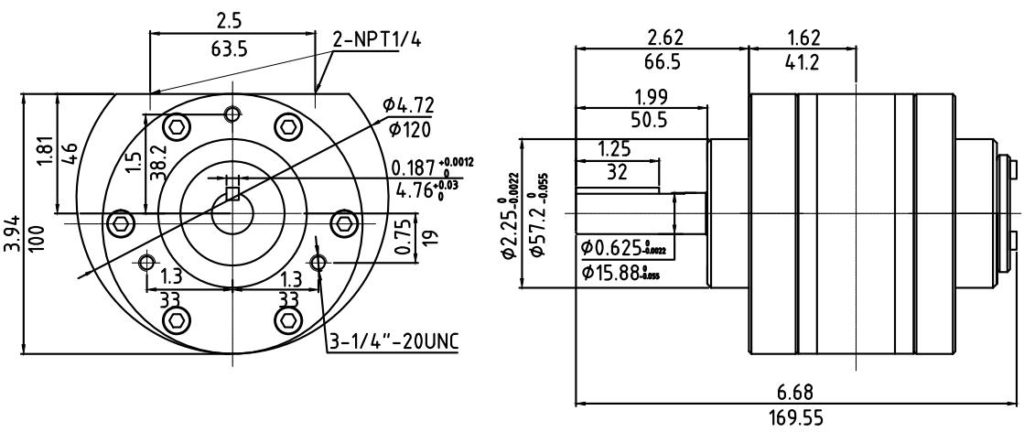
Габаритные и присоединительные размеры HX4AM-NRV-251SS:

Додаткова інформація

Производитель

Макс. вых. мощность, кВт

Макс. вых. крут. момент, Нм

Макс. скор. вращения, об/мин

Макс. расход воздуха

Тип двигателя

Відгуки

Відгуків немає, поки що.

Будьте першим, хто залишив відгук “ПНЕВМОДВИГАТЕЛЬ ИЗ НЕРЖАВЕЮЩЕЙ СТАЛИ HX4AM-NRV-251SS”“

Ваша e-mail адреса не оприлюднюватиметься. Обов’язкові поля позначені *