ПНЕВМОДВИГАТЕЛЬ M55

Пневмодвигатель (пневмомотор) предназначен для преобразования энергии сжатого воздуха во вращательное движение, получаемое на валу пневмомотора.

Артикул: M55 Категорія: Тег:
Характеристики
  • Производитель:

Заказать

Опис

Пневмодвигатель (пневмомотор) предназначен для преобразования энергии сжатого воздуха во вращательное движение, получаемое на валу пневмомотора.

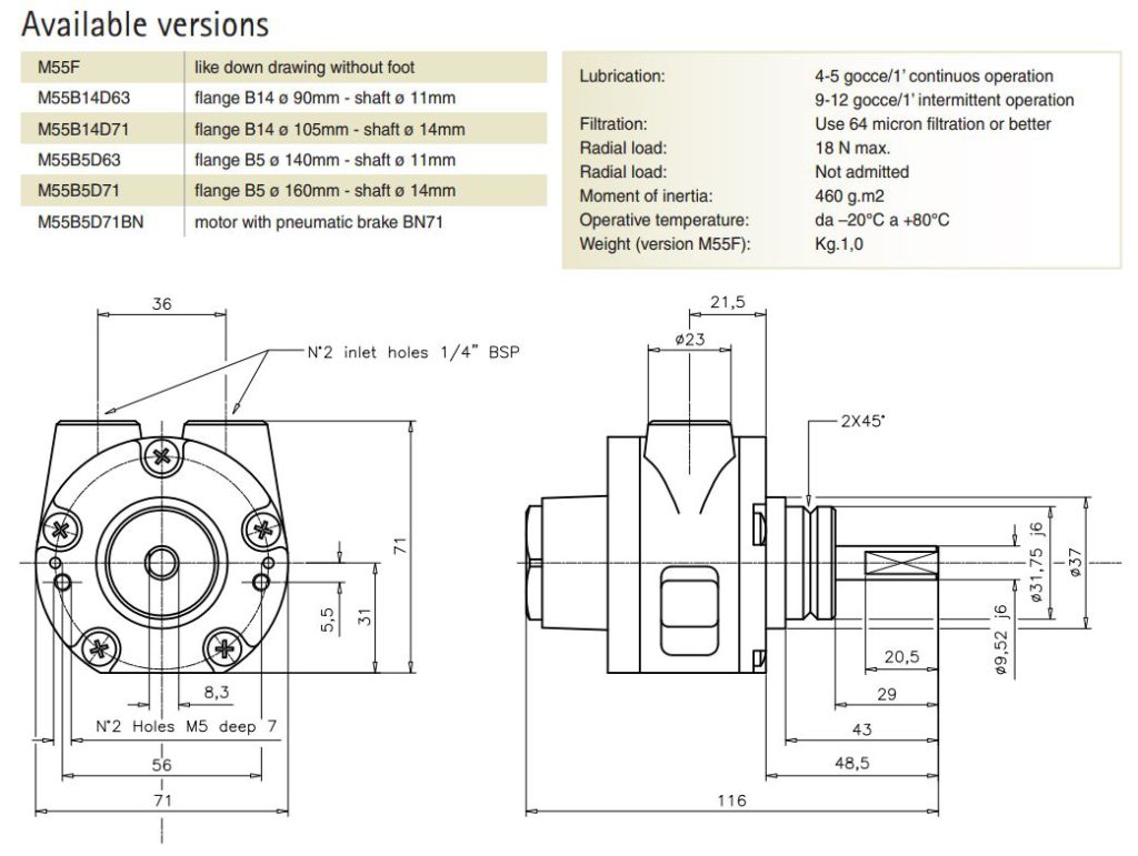
Технические параметры пневмомотора Series M55:

 

 

Габаритные и присоединительные размеры Series M55:

Додаткова інформація

Производитель

Відгуки

Відгуків немає, поки що.

Будьте першим, хто залишив відгук “ПНЕВМОДВИГАТЕЛЬ M55”“

Ваша e-mail адреса не оприлюднюватиметься. Обов’язкові поля позначені *