Опис
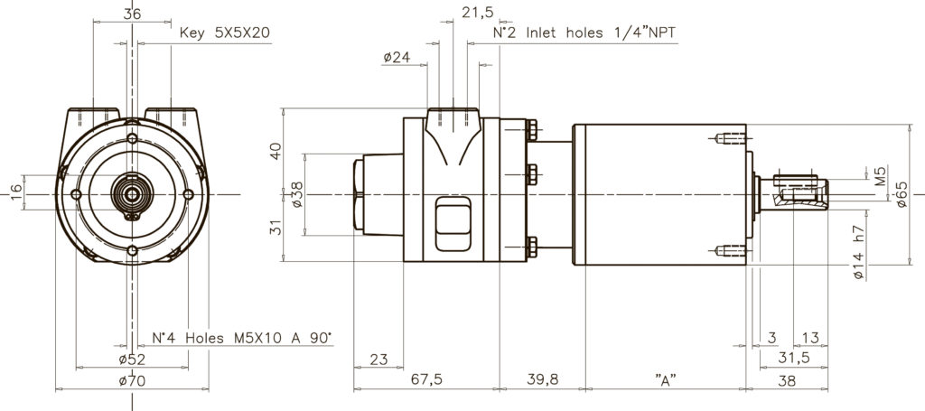
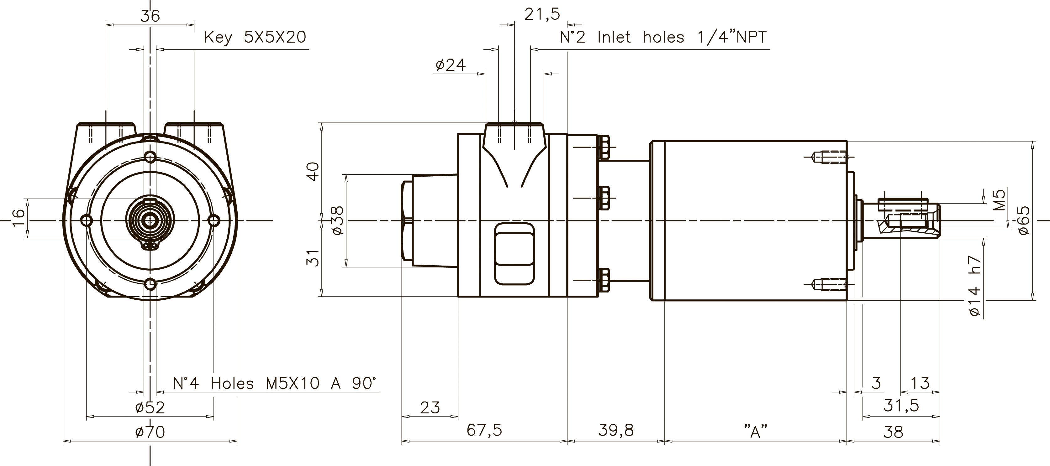
Чертеж пневмодвигателя с редуктором M55EN6F

| Модель | Скорость при макс. мощности, об/мин | Мощность, л.с. | Мин. стартовый крутящий момент, Нм | Крутящий момент, Нм | Крутящий момент при макс. нагрузке, Нм | Предельный крутящий момент, Нм | Длина редуктора А, мм | Масса, кг | ||||||||
|---|---|---|---|---|---|---|---|---|---|---|---|---|---|---|---|---|
| 6бар | 4бар | 2бар | 6бар | 4бар | 2бар | 6бар | 4бар | 2бар | 6бар | 4бар | 2бар | |||||
| M55EN6F 3 | 2000 | 0.49 | 0.29 | 0.08 | 2.06 | 1.37 | 0.59 | 2.65 | 1.76 | 0.88 | 1.76 | 0.98 | 0.29 | 18 | 57.6 | 3.4 |
| M55EN6F 4 | 1500 | 0.49 | 0.29 | 0.08 | 2.74 | 1.86 | 0.78 | 3.53 | 2.35 | 1.18 | 2.25 | 1.37 | 0.39 | 25 | 57.6 | 3.4 |
| M55EN6F 5 | 1200 | 0.49 | 0.29 | 0.08 | 3.43 | 2.25 | 0.98 | 4.41 | 2.94 | 1.47 | 2.84 | 1.67 | 0.49 | 25 | 57.6 | 3.4 |
| M55EN6F 7 | 857 | 0.49 | 0.29 | 0.08 | 4.80 | 3.23 | 1.37 | 6.17 | 4.12 | 2.06 | 4.02 | 2.35 | 0.69 | 25 | 57.6 | 3.4 |
| M55EN6F 10 | 600 | 0.49 | 0.29 | 0.08 | 6.86 | 4.61 | 1.96 | 8.82 | 5.88 | 2.94 | 5.68 | 3.43 | 0.98 | 18 | 57.6 | 3.4 |
| M55EN6F 12 | 500 | 0.47 | 0.27 | 0.08 | 7.94 | 5.10 | 2.35 | 10.19 | 6.57 | 3.53 | 6.57 | 3.82 | 1.08 | 30 | 74.3 | 3.4 |
| M55EN6F 15 | 400 | 0.47 | 0.27 | 0.08 | 9.90 | 6.37 | 2.94 | 12.64 | 8.23 | 4.41 | 8.23 | 4.70 | 1.37 | 30 | 74.3 | 4.0 |
| M55EN6F 20 | 300 | 0.47 | 0.27 | 0.08 | 13.13 | 8.53 | 3.92 | 16.95 | 10.98 | 5.88 | 10.98 | 6.27 | 1.86 | 30 | 74.3 | 4.0 |
| M55EN6F 25 | 240 | 0.47 | 0.27 | 0.08 | 16.46 | 10.68 | 4.90 | 21.17 | 13.72 | 7.35 | 13.72 | 7.94 | 2.35 | 30 | 74.3 | 4.0 |
| M55EN6F 30 | 200 | 0.47 | 0.27 | 0.08 | 19.70 | 12.74 | 5.88 | 25.38 | 16.46 | 8.82 | 16.46 | 9.51 | 2.84 | 18 | 74.3 | 4.0 |
| M55EN6F 35 | 171 | 0.47 | 0.27 | 0.08 | 23.03 | 14.90 | 6.86 | 29.60 | 19.21 | 10.29 | 19.21 | 11.07 | 3.23 | 30 | 74.3 | 4.0 |
| M55EN6F 40 | 150 | 0.47 | 0.27 | 0.08 | 26.36 | 17.05 | 7.84 | 33.81 | 21.85 | 11.76 | 21.95 | 12.64 | 3.72 | 30 | 74.3 | 4.0 |
| M55EN6F 50 | 120 | 0.47 | 0.27 | 0.08 | 32.93 | 21.27 | 9.80 | 42.34 | 27.34 | 14.70 | 27.54 | 15.78 | 4.70 | 30 | 74.3 | 4.0 |
| M55EN6F 70 | 86 | 0.47 | 0.27 | 0.08 | 46.06 | 29.79 | 13.72 | 59.19 | 38.32 | 20.58 | 38.51 | 22.15 | 6.57 | 30 | 74.3 | 4.0 |
| M55EN6F 80 | 75 | 0.45 | 0.26 | 0.07 | 50.37 | 32.83 | 13.72 | 64.78 | 42.14 | 20.58 | 42.14 | 24.30 | 6.57 | 30 | 91.0 | 4.9 |
| M55EN6F 90 | 67 | 0.45 | 0.26 | 0.07 | 56.74 | 36.95 | 15.48 | 72.91 | 47.43 | 23.13 | 47.33 | 27.34 | 7.35 | 18 | 91.0 | 4.9 |
| M55EN6F 100 | 60 | 0.45 | 0.26 | 0.07 | 63.01 | 40.96 | 17.15 | 81.05 | 52.72 | 25.77 | 52.63 | 30.38 | 8.23 | 18 | 91.0 | 4.9 |
| M55EN6F 125 | 48 | 0.45 | 0.26 | 0.07 | 78.79 | 51.25 | 21.46 | 101.23 | 65.86 | 32.14 | 65.76 | 38.02 | 10.19 | 30 | 91.0 | 4.9 |
| M55EN6F 150 | 40 | 0.45 | 0.26 | 0.07 | 94.47 | 61.54 | 25.77 | 121.52 | 79.09 | 38.61 | 78.99 | 45.67 | 12.25 | 30 | 91.0 | 4.9 |
| M55EN6F 175 | 34 | 0.45 | 0.26 | 0.07 | 110.25 | 71.74 | 29.99 | 141.71 | 92.22 | 44.98 | 92.12 | 53.21 | 14.31 | 30 | 91.0 | 4.9 |
| M55EN6F 200 | 30 | 0.45 | 0.26 | 0.07 | 126.03 | 82.03 | 34.30 | 161.99 | 105.45 | 51.45 | 105.25 | 60.86 | 16.37 | 30 | 91.0 | 4.9 |
| M55EN6F 250 | 24 | 0.45 | 0.26 | 0.07 | 157.49 | 102.51 | 42.92 | 202.47 | 131.81 | 64.29 | 131.61 | 76.05 | 20.48 | 30 | 91.0 | 4.9 |






Відгуки
Відгуків немає, поки що.