Опис
Лопастный пневмомотор VA2
V2 – это широко используемый лопастной мотор из линейки лопастных пневматических двигателей GLOBE. Мощность и скорость легко регулируются давлением и расходом воздуха.
Двигатели GLOBE могут выдерживать перегрузку в течение длительного времени и могут быть полностью заблокированы без повреждения двигателя. Благодаря своей конструкции воздушные двигатели безопасны, имеют самоохлаждение и поэтому пригодны для использования во взрывоопасных средах и / или других экстремальных условиях, таких как влажность и высокие температуры. V2 стандартно поставляются в соответствии с сертификатом ATEX.
Характеристики серии V2
- 0,82 кВт / 1,1 л.с.
- Различные варианты монтажа
- Сертифицирован ATEX
- Может быть изготовлен из нержавеющей стали
- Возможен вариант без масла
- Возможно изготовление на заказ
Варианты монтажа:
- пневмодвигатель VA2J на кронштейне
- пневмодвигатель VS2C – фланец IEC71 (optional IEC56/63/80)
- пневмодвигатель VA2C – фланец Nema 56C
- пневмодвигатель VA2X на ступице
Чертеж пневматического двигателя VA2J на кронштейне
Чертеж пневматического двигателя VS2C – фланец IEC71 (optional IEC56/63/80)
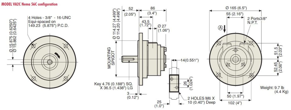
Чертеж пневматического двигателя VA2C – фланец Nema 56C
Чертеж пневматического двигателя VA2X на ступице





















Відгуки
Відгуків немає, поки що.